Hey there, tech enthusiasts! Let’s dive into the realm of computer architecture. Specifically, we’re going to chat about something that’s essential yet often overlooked: Load and Store Unit Optimization. Yep, it might sound a bit techie, but hang in there, because it plays a crucial role in ensuring our devices run smoothly and efficiently. Understanding this will definitely give you a clearer picture of how data is handled within processors.
Read Now : Free 2d Platformer Sprite Sheets
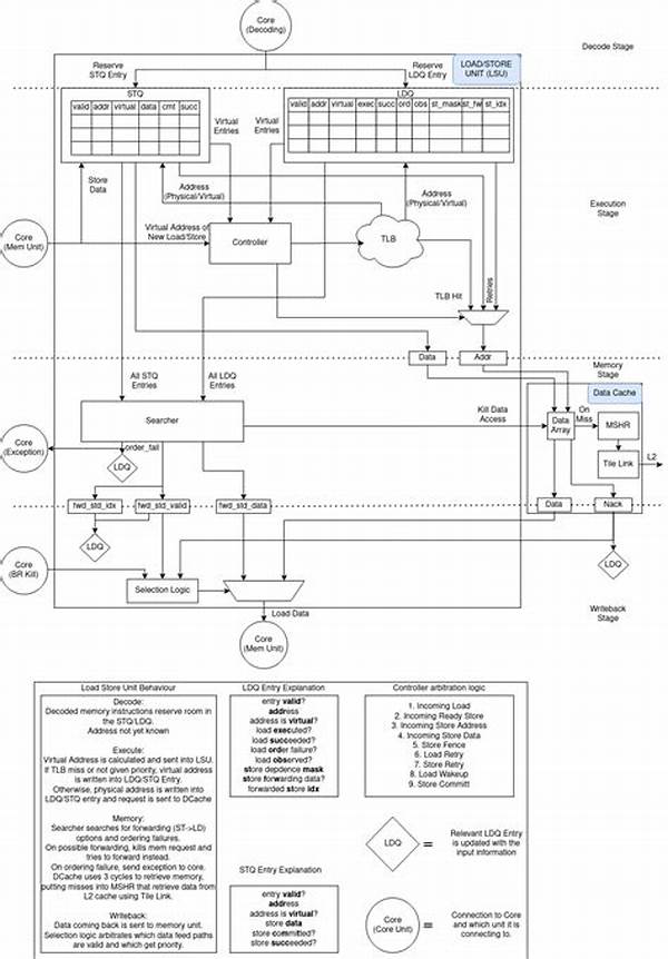
Understanding Load and Store Unit Optimization
Alright, let’s break it down. Load and Store Unit Optimization is all about enhancing the efficiency of data transfer between memory and the processor. Imagine you’re at a buffet; you want to get food (data) from the serving station (memory) to your table (processor) as quickly and orderly as possible. The better the system of queueing and transferring, the faster and smoother your dining experience. Similarly, in computing, optimizing load and store units ensures that data retrieval and storage operations are executed with minimal latency and maximum throughput. This means your applications run faster, games load smoothly, and overall system performance is heightened. By addressing bottlenecks and refining how these units work, computers can manage multitasks like pros without breaking a sweat. Neat, right?
Factors Affecting Load and Store Unit Optimization
1. Instruction Pipelining: Efficient pipelining techniques ensure instructions are well ordered and executed, improving load and store unit optimization.
2. Cache Management: Proper caching reduces data fetch times, making load and store unit optimization more effective.
3. Data Prefetching: Speculatively loading data beforehand enhances load and store unit optimization.
4. Memory Bandwidth: High bandwidth enables quick data transfers, aiding in load and store unit optimization.
5. Latency Reduction: Minimizing latency through design adjustments improves load and store unit optimization.
The Technical Journey of Load and Store Unit Optimization
Let’s talk tech! The journey of load and store unit optimization starts with acknowledging bottlenecks in data retrieval paths. These pathways, much like highways, can become congested if not properly managed. By reallocating resources and ensuring that pathways are clear, data can flow tirelessly between the memory and the CPU. This isn’t just about speed; it’s about efficiency too. With load and store unit optimization, tasks that seem mundane, like launching applications or saving documents, feel snappier. Technicians and architects work tirelessly on strategies like caching and parallel processing to ensure that each ‘load’ and ‘store’ operation is as swift as possible. After all, it’s these tiny wins in microseconds that make a massive difference in user experience.
How Experts Tackle Load and Store Unit Optimization
1. Analysis: Experts use diagnostic tools to pinpoint inefficiencies in load and store processes, highlighting areas of optimization.
2. Design Optimization: Modifying hardware design contributes significantly to effective load and store unit optimization.
Read Now : Multi-sensory Interactive Play Environments
3. Software Solutions: Implementing software that effectively manages threading results in successful load and store unit optimization.
4. Parallel Execution: By allowing simultaneous operations, experts achieve a level of load and store unit optimization that maximizes system efficiency.
5. Feedback Loops: Continuous monitoring and tweaking ensure long-term effectiveness of load and store unit optimization strategies.
Real-World Impact of Load and Store Unit Optimization
This all sounds pretty theoretical, right? So, how does load and store unit optimization translate into real-world benefits? Picture a professional gamer whose livelihood depends on swift reactions and near-instantaneous game response times. For them, even a slight lag can have heavy consequences. Effective load and store unit optimization smooths out those potential wrinkles, ensuring that their gaming experience is seamless, without hitch or slowdown. But it’s not just gamers who benefit. Think of doctors relying on complex imaging programs where data loading speed can impact diagnostic times – crucial in time-sensitive situations. Home users too notice a difference, since optimized load and store units can significantly enhance everyday activities like browsing or streaming.
Challenges with Load and Store Unit Optimization
While we’re singing the praises of load and store unit optimization, it’s fair to say that it doesn’t come without its challenges. For starters, maintaining a balance between cost and performance is a tricky tightrope to walk. Plus, as data complexity increases, so does the challenge of maintaining effective optimization. Experts often juggle a multitude of priorities, from minimizing heat generation in load and store units to preventing bottlenecks in data traffic. As devices shrink in size, the margin for optimization becomes even trickier. Yet, the industry continuously innovates, developing new technologies and models to push through these challenges. Optimizing these operations demands both foresight and adaptability, making it a dynamic field that keeps techies on their toes.
Future of Load and Store Unit Optimization
Looking forward, the future of load and store unit optimization seems both exciting and bright. As technology continues to advance at breakneck speed, the demand for seamless operation in complex scenarios only grows. Whether it’s incorporating AI to predict and manage data loads better or developing new materials that facilitate faster electronic communication, possibilities are endless. Tech companies invest heavily in R&D, hoping to redefine efficiency thresholds. For everyday users, this means faster processors, better multitasking capabilities, and minimum latency. As our reliance on technology increases, so does the focus on making each operation quicker and more efficient, well into the future.
Wrapping it Up – The Essence of Load and Store Unit Optimization
In conclusion, diving into the world of load and store unit optimization reveals a myriad of opportunities to enhance computing performance. By refining how processors handle data, efficiency is maximized, leading to faster processing, smoother multitasking, and ultimately, better user satisfaction. Whether you’re an avid gamer, a medical technician, or just someone who loves binge-watching, this optimization subtly boosts your experience, making technology feel more fluid and intuitive. The complexities of this field remind us of the invisible gears behind our digital world, tirelessly operating to improve our daily interactions with technology. So next time you boot up your device, remember it’s the magic of load and store unit optimization at work!



